

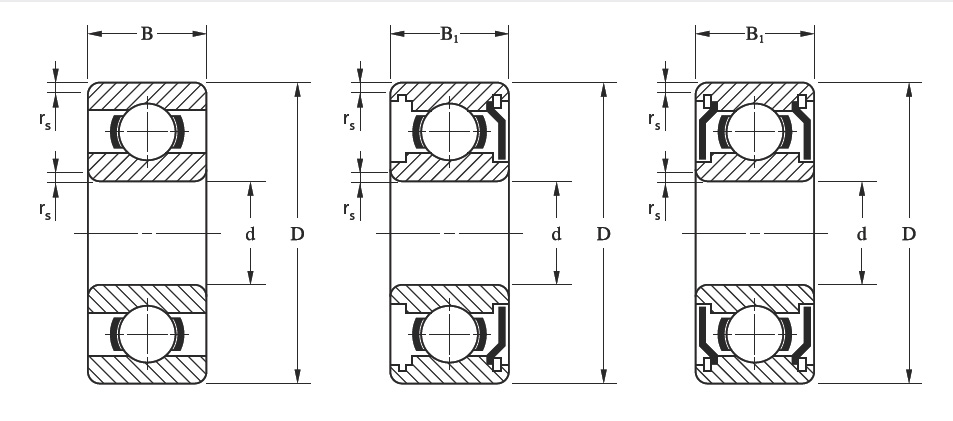
Small deep groove ball bearings are composed of two rings containing a single row of balls. They have deep raceway grooves and the cage keeps the balls separated.
In the case of miniature bearings the bore diameters range from 1 mm to 9 mm. They are available in 100Cr6 grade steel or alternatively AISI 440 or 420 stainless steel if additional corrosion resistance is required..
Miniature bearings are available open or sealed with rubber seals “RS” or metal shields “Z”. Cages are available in sheet-steel, fiber-reinforced plastic and special phenolic material designed for high speed applications.
Miniature bearings are also available with reduced or increased raceway groove clearance from MC1 up to MC6.
Small bearing applications include miniature mechanical engineering, electronic and medical devices, miniature engines and dynamic model building, small spindles, dental drills, watches, aerospace and all applications requiring extremely small components.
| Miniature deep groove ball bearings Inch series | ||||||||||||
|---|---|---|---|---|---|---|---|---|---|---|---|---|
| Diametro interno d (inch) | Diametro esterno D (inch) | Diametro flangia Df (inch) | Larghezza B (inch) | Codice | Coefficiente Carico | Velocità max ×1000rpm | ||||||
| Cr(N) Dinamico |
Cor(N) Statico |
grasso | olio | |||||||||
| (inch) | (mm) | (inch) | (mm) | (inch) | (mm) | (inch) | (mm) | |||||
| 0.055 | 1.397 | 0.1875 | 4.7625 | - | - | 0.0781 | 1.98374 | R1 | 232 | 67 | 90 | 110 |
| 0.055 | 1.397 | 0.1875 | 4.7625 | 0.234 | 5.9436 | 0.0781 | 1.98374 | FR1 | 232 | 67 | 90 | 110 |
| 0.055 | 1.397 | 0.1875 | 4.7625 | - | - | 0.1094 | 2.77876 | R1 ZZ | 232 | 67 | 90 | 110 |
| 0.055 | 1.397 | 0.1875 | 4.7625 | 0.234 | 5.9436 | 0.1094 | 2.77876 | FR1 ZZ | 232 | 67 | 90 | 110 |
| 0.0781 | 1.98374 | 0.25 | 6.35 | - | - | 0.0937 | 2.37998 | R1-4 | 284 | 96 | 67 | 80 |
| 0.0781 | 1.98374 | 0.25 | 6.35 | 0.296 | 7.5184 | 0.0937 | 2.37998 | FR1-4 | 284 | 96 | 67 | 80 |
| 0.0781 | 1.98374 | 0.25 | 6.35 | - | - | 0.1406 | 3.57124 | R1-4 ZZ | 284 | 96 | 67 | 80 |
| 0.0781 | 1.98374 | 0.25 | 6.35 | 0.296 | 7.5184 | 0.1406 | 3.57124 | FR1-4 ZZ | 284 | 96 | 67 | 80 |
| 0.0937 | 2.37998 | 0.1875 | 4.7625 | - | - | 0.0625 | 1.5875 | R133 | 189 | 60 | 80 | 95 |
| 0.0937 | 2.37998 | 0.1875 | 4.7625 | 0.234 | 5.9436 | 0.0625 | 1.5875 | FR133 | 189 | 60 | 80 | 95 |
| 0.0937 | 2.37998 | 0.1875 | 4.7625 | - | - | 0.0937 | 2.37998 | R133 ZZ | 144 | 53 | 80 | 95 |
| 0.0937 | 2.37998 | 0.1875 | 4.7625 | 0.234 | 5.9436 | 0.0937 | 2.37998 | FR133 ZZ | 144 | 53 | 80 | 95 |
| 0.0937 | 2.37998 | 0.3125 | 7.9375 | - | - | 0.1094 | 2.77876 | R1-5 | 552 | 176 | 60 | 71 |
| 0.0937 | 2.37998 | 0.3125 | 7.9375 | 0.359 | 9.1186 | 0.1094 | 2.77876 | FR1-5 | 552 | 176 | 60 | 71 |
| 0.0937 | 2.37998 | 0.3125 | 7.9375 | - | - | 0.1406 | 3.57124 | R1-5 ZZ | 552 | 176 | 60 | 71 |
| 0.0937 | 2.37998 | 0.3125 | 7.9375 | 0.359 | 9.1186 | 0.1406 | 3.57124 | FR1-5 ZZ | 552 | 176 | 60 | 71 |
| 0.125 | 3.175 | 0.25 | 6.35 | - | - | 0.0937 | 2.37998 | R144 | 311 | 110 | 67 | 80 |
| 0.125 | 3.175 | 0.25 | 6.35 | 0.296 | 7.5184 | 0.0937 | 2.37998 | FR144 | 311 | 110 | 67 | 80 |
| 0.125 | 3.175 | 0.25 | 6.35 | - | - | 0.1094 | 2.77876 | R144 ZZ | 311 | 110 | 67 | 80 |
| 0.125 | 3.175 | 0.25 | 6.35 | 0.296 | 7.5184 | 0.1094 | 2.77876 | FR144 ZZ | 311 | 110 | 67 | 80 |
| 0.125 | 3.175 | 0.3125 | 7.9375 | - | - | 0.1094 | 2.77876 | R2-5 | 558 | 180 | 60 | 67 |
| 0.125 | 3.175 | 0.3125 | 7.9375 | 0.359 | 9.1186 | 0.1094 | 2.77876 | FR2-5 | 558 | 180 | 60 | 67 |
| 0.125 | 3.175 | 0.3125 | 7.9375 | - | - | 0.1406 | 3.57124 | R2-5 ZZ | 558 | 180 | 60 | 67 |
| 0.125 | 3.175 | 0.3125 | 7.9375 | 0.359 | 9.1186 | 0.1406 | 3.57124 | FR2-5 ZZ | 558 | 180 | 60 | 67 |
| 0.125 | 3.175 | 0.3125 | 7.9375 | - | - | 0.1094 | 2.77876 | R2-6 | 640 | 227 | 53 | 63 |
| 0.125 | 3.175 | 0.3125 | 7.9375 | 0.422 | 10.7188 | 0.1094 | 2.77876 | FR2-6 | 640 | 227 | 53 | 63 |
| 0.125 | 3.175 | 0.3125 | 7.9375 | - | - | 0.1406 | 3.57124 | R2-6 ZZ | 640 | 227 | 53 | 63 |
| 0.125 | 3.175 | 0.3125 | 7.9375 | 0.422 | 10.7188 | 0.1406 | 3.57124 | FR2-6 ZZ | 640 | 227 | 53 | 63 |
| 0.125 | 3.175 | 0.375 | 9.525 | - | - | 0.1562 | 3.96748 | R2 | 631 | 219 | 56 | 67 |
| 0.125 | 3.175 | 0.375 | 9.525 | - | - | 0.1562 | 3.96748 | R2 ZZ | 631 | 219 | 56 | 67 |
| 0.125 | 3.175 | 0.375 | 9.525 | 0.44 | 11.176 | 0.1562 | 3.96748 | FR2 | 631 | 219 | 56 | 67 |
| 0.125 | 3.175 | 0.375 | 9.525 | 0.44 | 11.176 | 0.1562 | 3.96748 | FR2 ZZ | 631 | 219 | 56 | 67 |
| 0.125 | 3.175 | 0.5 | 12.7 | - | - | 0.1719 | 4.36626 | R2A | 640 | 227 | 53 | 63 |
| 0.125 | 3.175 | 0.5 | 12.7 | - | - | 0.1719 | 4.36626 | R2A ZZ | 640 | 227 | 53 | 63 |
| 0.1562 | 3.96748 | 0.3125 | 7.9375 | - | - | 0.1094 | 2.77876 | R155 | 359 | 150 | 53 | 63 |
| 0.1562 | 3.96748 | 0.3125 | 7.9375 | 0.359 | 9.1186 | 0.1094 | 2.77876 | FR155 | 359 | 150 | 53 | 63 |
| 0.1562 | 3.96748 | 0.3125 | 7.9375 | - | - | 0.125 | 3.175 | R155 ZZ | 359 | 150 | 53 | 63 |
| 0.1562 | 3.96748 | 0.3125 | 7.9375 | 0.359 | 9.1186 | 0.125 | 3.175 | FR155 ZZ | 359 | 150 | 53 | 63 |
| 0.1875 | 4.7625 | 0.3125 | 7.9375 | - | - | 0.1094 | 2.77876 | R156 | 359 | 150 | 53 | 63 |
| 0.1875 | 4.7625 | 0.3125 | 7.9375 | 0.359 | 9.1186 | 0.1094 | 2.77876 | FR156 | 359 | 150 | 53 | 63 |
| 0.1875 | 4.7625 | 0.3125 | 7.9375 | - | - | 0.125 | 3.175 | R156 ZZ | 359 | 150 | 53 | 63 |
| 0.1875 | 4.7625 | 0.3125 | 7.9375 | 0.359 | 9.1186 | 0.125 | 3.175 | FR156 ZZ | 359 | 150 | 53 | 63 |
| 0.1875 | 4.7625 | 0.375 | 9.525 | - | - | 0.125 | 3.175 | R166 | 709 | 272 | 50 | 60 |
| 0.1875 | 4.7625 | 0.375 | 9.525 | 0.422 | 10.7188 | 0.125 | 3.175 | FR166 | 709 | 272 | 50 | 60 |
| 0.1875 | 4.7625 | 0.375 | 9.525 | - | - | 0.125 | 3.175 | R166 ZZ | 709 | 272 | 50 | 60 |
| 0.1875 | 4.7625 | 0.375 | 9.525 | 0.422 | 10.7188 | 0.125 | 3.175 | FR166 ZZ | 709 | 272 | 50 | 60 |
| 0.1875 | 4.7625 | 0.5 | 12.7 | - | - | 0.1562 | 3.96748 | R3 | 1301 | 488 | 43 | 53 |
| 0.1875 | 4.7625 | 0.5 | 12.7 | 0.565 | 14.351 | 0.1562 | 3.96748 | FR3 | 1301 | 488 | 43 | 53 |
| 0.1875 | 4.7625 | 0.5 | 12.7 | - | - | 0.196 | 4.9784 | R3 ZZ | 1301 | 488 | 43 | 53 |
| 0.1875 | 4.7625 | 0.5 | 12.7 | 0.565 | 14.351 | 0.196 | 4.9784 | FR3 ZZ | 1301 | 488 | 43 | 53 |
| 0.1875 | 4.7625 | 0.625 | 15.875 | - | - | 0.196 | 4.9784 | R3A | 1480 | 621 | 38 | 45 |
| 0.1875 | 4.7625 | 0.625 | 15.875 | - | - | 0.196 | 4.9784 | R3A ZZ | 1480 | 621 | 38 | 45 |
| 0.25 | 6.35 | 0.375 | 9.525 | - | - | 0.125 | 3.175 | R168 | 373 | 172 | 48 | 56 |
| 0.25 | 6.35 | 0.375 | 9.525 | 0.422 | 10.7188 | 0.125 | 3.175 | FR168 | 373 | 172 | 48 | 56 |
| 0.25 | 6.35 | 0.375 | 9.525 | - | - | 0.125 | 3.175 | R168 ZZ | 373 | 172 | 48 | 56 |
| 0.25 | 6.35 | 0.375 | 9.525 | 0.422 | 10.7188 | 0.125 | 3.175 | FR168 ZZ | 373 | 172 | 48 | 56 |
| 0.25 | 6.35 | 0.5 | 12.7 | - | - | 0.125 | 3.175 | R188 | 1082 | 442 | 40 | 50 |
| 0.25 | 6.35 | 0.5 | 12.7 | 0.547 | 13.8938 | 0.125 | 3.175 | FR188 | 1082 | 442 | 40 | 50 |
| 0.25 | 6.35 | 0.5 | 12.7 | - | - | 0.1875 | 4.7625 | R188 ZZ | 1082 | 442 | 40 | 50 |
| 0.25 | 6.35 | 0.5 | 12.7 | 0.547 | 13.8938 | 0.1875 | 4.7625 | FR188 ZZ | 1082 | 442 | 40 | 50 |
| 0.25 | 6.35 | 0.625 | 15.875 | - | - | 0.196 | 4.9784 | R4 | 1480 | 621 | 38 | 45 |
| 0.25 | 6.35 | 0.625 | 15.875 | 0.69 | 17.526 | 0.196 | 4.9784 | FR4 | 1480 | 621 | 38 | 45 |
| 0.25 | 6.35 | 0.625 | 15.875 | - | - | 0.196 | 4.9784 | R4 ZZ | 1480 | 621 | 38 | 45 |
| 0.25 | 6.35 | 0.625 | 15.875 | 0.69 | 17.526 | 0.196 | 4.9784 | FR4 ZZ | 1480 | 621 | 38 | 45 |
| 0.25 | 6.35 | 0.75 | 19.05 | - | - | 0.2188 | 5.55752 | R4A | 2336 | 896 | 36 | 43 |
| 0.25 | 6.35 | 0.75 | 19.05 | - | - | 0.2812 | 7.14248 | R4A ZZ | 2336 | 896 | 36 | 43 |
| 0.3125 | 7.9375 | 0.5 | 12.7 | - | - | 0.1562 | 3.96748 | R1810 | 542 | 276 | 40 | 48 |
| 0.3125 | 7.9375 | 0.5 | 12.7 | 0.547 | 13.8938 | 0.1562 | 3.96748 | FR1810 | 542 | 276 | 40 | 48 |
| 0.3125 | 7.9375 | 0.5 | 12.7 | - | - | 0.1562 | 3.96748 | R1810 ZZ | 542 | 276 | 40 | 48 |
| 0.3125 | 7.9375 | 0.5 | 12.7 | 0.547 | 13.8938 | 0.1562 | 3.96748 | FR1810 ZZ | 542 | 276 | 40 | 48 |
| 0.375 | 9.525 | 0.625 | 15.875 | - | - | 0.1562 | 3.96748 | ER1038 | 856 | 435 | 30 | 35 |
| 0.375 | 9.525 | 0.625 | 15.875 | - | - | 0.1562 | 3.96748 | ER1038 ZZ | 856 | 435 | 30 | 35 |
| 0.375 | 9.525 | 0.875 | 22.225 | - | - | 0.2188 | 5.55752 | R6 | 3332 | 1411 | 32 | 38 |
| 0.375 | 9.525 | 0.875 | 22.225 | 0.969 | 24.6126 | 0.2188 | 5.55752 | FR6 | 3332 | 1411 | 32 | 38 |
| 0.375 | 9.525 | 0.875 | 22.225 | - | - | 0.2512 | 6.38048 | R6 ZZ | 3332 | 1411 | 32 | 38 |
| 0.375 | 9.525 | 0.875 | 22.225 | 0.969 | 24.6126 | 0.2512 | 6.38048 | FR6 ZZ | 3332 | 1411 | 32 | 38 |
| 0.5 | 12.7 | 0.75 | 19.05 | - | - | 0.1562 | 3.96748 | ER1212 | 9018 | 542 | 24 | 28 |
| 0.5 | 12.7 | 0.75 | 19.05 | - | - | 0.1562 | 3.96748 | ER1212 ZZ | 9018 | 542 | 24 | 28 |
| 0.5 | 12.7 | 1.125 | 28.575 | - | - | 0.25 | 6.35 | R8 | 5108 | 2413 | 27 | 32 |
| 0.5 | 12.7 | 1.125 | 28.575 | 1.2252 | 31.12008 | 0.25 | 6.35 | FR8 | 5108 | 2413 | 27 | 32 |
| 0.5 | 12.7 | 1.125 | 28.575 | - | - | 0.3125 | 7.9375 | R8 ZZ | 5108 | 2413 | 27 | 32 |
| 0.5 | 12.7 | 1.125 | 28.575 | 1.2252 | 31.12008 | 0.3125 | 7.9375 | FR8 ZZ | 5108 | 2413 | 27 | 32 |
| 0.625 | 15.875 | 0.875 | 22.225 | - | - | 0.1562 | 3.96748 | ER1458 | 968 | 619 | 20 | 24 |
| 0.625 | 15.875 | 0.875 | 22.225 | - | - | 0.1562 | 3.96748 | ER1458 ZZ | 968 | 619 | 20 | 24 |
| 0.625 | 15.875 | 1.375 | 34.925 | - | - | 0.2812 | 7.14248 | R10 | 5999 | 3265 | 21 | 25 |
| 0.625 | 15.875 | 1.375 | 34.925 | - | - | 0.3438 | 8.73252 | R10 ZZ | 5999 | 3265 | 21 | 25 |
| 0.625 | 15.875 | 1.375 | 34.925 | 1.49 | 37.846 | 0.3438 | 8.73252 | FR10 ZZ | 5999 | 3265 | 21 | 25 |
| 0.75 | 19.05 | 1 | 25.4 | - | - | 0.1562 | 3.96748 | ER1634 | 1011 | 691 | 17 | 20 |
| 0.75 | 19.05 | 1 | 25.4 | - | - | 0.1562 | 3.96748 | ER1634 ZZ | 1011 | 691 | 17 | 20 |
| 0.75 | 19.05 | 1.625 | 41.275 | - | - | 0.3125 | 7.9375 | R12 | 9384 | 5057 | 17 | 21 |
| 0.75 | 19.05 | 1.625 | 41.275 | - | - | 0.4375 | 11.1125 | R12 ZZ | 9384 | 5057 | 17 | 21 |